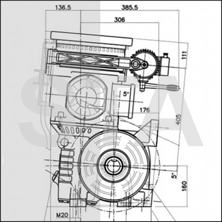
STA hoister machine 30V Combi - 30VS
STA hoist machine Combi 30V - 30VS. -
Download the documentation . Former reference: STA-hoist machine-COMBI30V-30VS